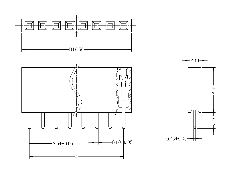
2.54MM (0,1'') PITCH Liitinlista
SPECIFICATION
Current Arvosana: 3 ampeerin
Insulator Resistance: 1000 MQ MIN
Dielectric kyky kestää: AC 500V
Ota vastus: 20mΩ MAX.
Operating Temp.: -40 ℃+105 ℃ \\ ÕnMax Processing Temp.:
230 ℃ 30 60 sekuntiaInsulator Materiaali:
PBT 30% UL94V+0 ROHS-Ota Materiaali:
Brass Plated (* Standard):
Gold vilkkuvat kaikkialla
DRAWING
99.06mm=B&102 .00mm=
Jos tarvitset muutanastat tästä mallista, ota ottelu seuraavien ulottuvuuden mukaan suunnittelua. Tai voit lähettää meille email.Our myyntitiimin Vastaamme sinulle kaikki tiedot mahdollisimman pian.
nimi: Haimei Liang
Työnimike: sales manager
osasto: Sales Department
Yrityspuhelin: +86 0769 83450370
Sähköposti: Ota meihin yhteyttä
Kännykkä: +86 18929181819
Verkkosivusto: dgwin.finvipb2b.com
Osoite: No.67,Dongshen Road,Qiaotou Town,Dongguan City,China