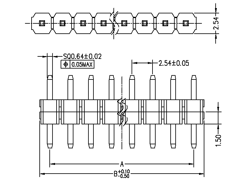
2.54MM (0,1'') PITCH PIN HEADER
SPECIFICATION
MATERIALS (koskettimet): kupariseos, Gold- tai Tin (nikkeli) tulevan
MATERIALS (HOUSINGS): Vakio tai korkean lämpötilan muovia, arvioivat UL94V-0
CURRENT: 3A kosketinta kohti
MAXIMUM jännite: 800V AC, 500V DC
Ota VASTARINTA: 30mm-max
INSULATION Resistance: 1000 mm-min
OPERATING LÄMPÖTILAN:-40℃tuotavaan 105℃
DURABILITY: 300 liitäntäsykleillä (kulta) tai 50 liitäntäsykleillä (tina)
DRAWINGS
What' s Piikkirima?
Pin Header on eräänlainen sähköliitin. Me yleensä lyhennetty sen PH tai yksinkertaisia otsikkoa, ja se voidaan tuntea universaali connectors.This liitintyyppi on laajalti käytetty PCB-aluksella elektroniikka, sähkölaitteet, ja m.
What', s toiminnon piikkirimaan?
\\ kamman toimintois toimivat siltana estetty tai eristetty piirejä PCB board circuit, ja vastaavanykyinen tai signaalin siirron.
What ovat hRE -piikkinen malleja?
There monentyyppisiä piikkirimaa jotka luokitellaan standardien elektroniikkateollisuudessa vastaamaan eri tarvitsevat. Tilan mukaan, se voidaan jakaa karkeasti 2,54 mm (0,1 tuumaa), 2,0 mm (0,079 in), 1,27 (0,05), 1,0 mm (0,04 in), 0,8 mm (0,03 in). Väli tappien kutsutaan yleisesti kuin piki sähköisen yhteisössä. Mukaan rivien, on yksi rivi, kaksirivinen, kolme riviä, jne. Mukaan pakkauksen käyttö, on laastareita SMT (pintamount teknologia versio) ja tulppa-in DIP (pin reiän läpi laitteet),-joukossa, SMT piikkirimaa voidaan jakaa vaaka -piikkinen ja pystysuora tappi otsikon, ja DIP tyypit voidaan jakaa suoraan paikoilleen -piikkinen ja taivuttamalla lisäys pin header. Sen lisäksi, että me jaettu sen kolmeen ryhmäänniiden asennustapa, 180 ° asennus esittää S", 90 ° asennus esittää"W", ja SMT asennus esittää"T"."
What&39, s soveltamisen välillä -piikkinen?#
Application alue: Tietojen käsittely laitteet, Computer ohjelmapäällikkö ohjauslaitteet, Elektroniset mittauslaitteet, Automaattiset ohjauslaitteet, atk-laitteet, tietoliikennelaitteet, jne

nimi: Haimei Liang
Työnimike: sales manager
osasto: Sales Department
Yrityspuhelin: +86 0769 83450370
Sähköposti: Ota meihin yhteyttä
Kännykkä: +86 18929181819
Verkkosivusto: dgwin.finvipb2b.com
Osoite: No.67,Dongshen Road,Qiaotou Town,Dongguan City,China