2.54mm Pitch 9P Single Row Pin otsikko

Julkaisupäivä:2021-07-12 17:25

Viisi edut tuotteista

  • Kulta valmisnikkelin yli
  • Voit mukauttaa tarvitsemasi kokoa
  • Alkuperäinen liitin tehdas
  • Paras hinta kuin monet tunnetut tuotemerkit
  • Ilmaisetnäytteet tarjotaan

tuotteen yksityiskohdat

''''

-/+

-

 

\\ t Tai korkean lämpötilan muovi, mitoitettu UL94V


YOU CAN CUSTOMIZE.jpg

9P drawing 1.jpg9P drawing 2.jpg9P drawing 3.jpg


详情页1.jpg详情页2.jpg详情页3.jpg详情页4.jpg

 

 

nMAXIMUM Jännite: 800V AC, 500V DC &# 



&#

 

 

nINSULATION VASTARINTA: 1000 mm-&#min

OPERATING LÄMPÖTILAN:

40

℃ tuotavaan 105

DURABILITY: 300 liitäntäsykleillä (kulta) tai 50 liitäntäsykleillä (tina)-- """"""

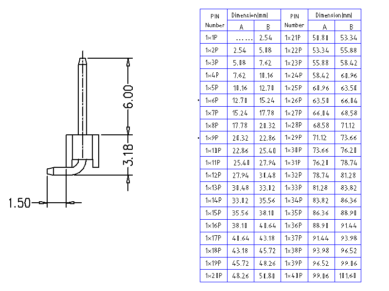
DRAWING 

&#




\\n \\n \\n \\n \\n \\n \\n \\n \\n \\n \\n \\n \\n \\n \\n \\n \\n \\n \\n \\n \\n \\n \\n \\n \\n \\n \\n \\n \\n \\n \\n \\nPackagenauha: \\n \\n \\n \\nTämä pakkauksen on SMT liittimiä suojaavatnastat muodonmuutos \\n \\n \\n \\n \\ NKONVenent Automaattinen kokoonpano janouto jalostus ja tallenna paljon työvoimakustannuksia. \\ N \\n \\n \\n \\n \\n \\n \\n \\n \\n \\n \\n pe paketti sopii monenlaisille liittimiä tarpeen mukaan, tämä pakkaustapa paremmin suojaanastat muodonmuutoksesta. \\n \\n \\n \\n \\nPackage PE laukut: \\n \\n \\nTämä on kaikkein \\n \\n \\n \\nc \\n \\n \\nommon pakkauksia, jotka soveltuvat tuotteita, jo \\n \\ N101;neula ei ole helposti muotoaan, haittana on se, että tuote suoja on pieni, etu on kustannussäästöt. \\n \\n \\n \\n \\n \\nPackage sisään Läpipainopakkaus laatikko: \\n \\n \\nCommonly käytetty pakkaus, vähän Samanlainen kuin läpipainopakkauksen, voi suojata paremmin tuotteen ommel. \\n \\n \\n \\n \\n \\n \\n \\n \\n \\n \\n \\n \\n \\n \\n \\n \\n \\n \\n \\n \\n \\n \\n \\n \\n \\n \\n \\n \\n \\n \\n \\n \\n \\n \\n \\n \\n \\n \\n \\nppin otsikko on eräänlainen sähköliitin. Meillä on yleensä lyhennetty se pH tai yksinkertainen otsikko, \\ Nd on maine yleismaailmallisista liittimistä. Tämä liittimen tyyppi käytetään laajalti PCB-piirilevyjä elektroniikassa, sähkölaitteissa ja metreissä. \\ N \\n \\n \\n \\n \\n \\n \\n \\n \\n \\n \\n \\n \\n \\n \\n \\n \\nn \\n \\n \\n \\nwhat \\n \\n \\n \\n \\n \\n \\n \\n \\n \\n \\n \\n \\n \\n \\n \\n \\n \\n \\n \\n \\n \\n \\n \\n \\n \\n \\n \\n \\n \\n \\n \\n \\n \\n \\n \\n \\n \\n vastuussanykyisestä tai signaalin siirtoa. \\n \\n \\n \\n \\n \\n \\n \\n \\n \\nWhat ovat HRE piikkirima malleja? \\n \\n \\n \\n \\nThere monentyyppisiä piikkirimaa joista luokitellaan standardien mukaisesti elektroniikkateollisuudessa vastaamaan eri tarvitsevat. Tilan mukaan se voidaan suunnitella karkeasti 2,54 mm:n (0,1 in), 2,0 mm (0,079 in), 1,27 mm (0,05 in), 1,0 mm (0,04 in), 0,8 mm (0,03 in). PINS:n välistä etäisyyttä kutsutaan yleisesti sähköisessä yhteisössä. Mukaan rivien, on yksi rivi, kaksirivinen, kolme riviä, jne. Mukaan pakkauksen käyttö, on laastareita SMT (pinta \\nmount teknologia versio) ja tulppa \\nin DIP (pin reiän läpi laitteet), \\n joukossa, SMT piikkirimaa voidaan jakaa vaaka -piikkinen ja pystysuora tappi otsikon, ja DIP tyypit voidaan jakaa suoraan paikoilleen -piikkinen ja taivuttamalla lisäys pin header. Sen lisäksi, että me jaettu sen kolmeen ryhmäänniiden asennustapa, 180 ° asennus esittää \\nS \\n, 90 ° asennus esittää \\nW \\n, ja SMT asennus esittää \\nT \\n. \\ N \\n \\n \\n \\n \\n \\n \\n \\n \\nWhat \\n \\n39, s soveltamisen välillä -piikkinen? \\ N \\n \\n \\n \\nApplication alue: Tietojen käsittely laitteet, Computer ohjelmapäällikkö ohjauslaitteet, Elektroniset mittauslaitteet, Automaattiset ohjauslaitteet, atk-laitteet, tietoliikennelaitteet, jne \\n \\n \\n \\n \\n \\n \\n \\n \\n \\n \\n \\n \\n \\n \\n

Lähetä viesti tälle toimittajalle

  • jotta:
  • DONGGUAN WIN-WIN ELECTRONICS CO.,LTD
  • *Viesti:
  • Sähköpostini:
  • Puhelin:
  • Nimeni:
Ole varovainen:
Lähetä haitallinen sähköposti, ilmoitettiin toistuvasti, jäädyttää käyttäjä
Tämä toimittaja ottaa sinuun yhteyttä 24 tunnin kuluessa.
Tällä tuotteella ei ole kysyttävää.
DONGGUAN WIN-WIN ELECTRONICS CO.,LTD

nimi: Haimei Liang

Työnimike: sales manager

osasto: Sales Department

Yrityspuhelin: +86 0769 83450370

Sähköposti: Ota meihin yhteyttä

Kännykkä: +86 18929181819

Verkkosivusto: dgwin.finvipb2b.com

Osoite: No.67,Dongshen Road,Qiaotou Town,Dongguan City,China

Älypuhelimen katselu, Bluetooth-kello
Täydellinen älypuhelin
Olohuone super cool kala säiliö
Naisten ultra pitkät silmäripset
Ravitseva Super C-vitamiini Juice Drink
Kätevä ulkotila
Erittäin älykäs värikirjoitin
Ulkoinen iso tuuletin
Premium punaviini
Erittäin pieni kätevä USB-tallennuslevy
top