2.54MM (0,1'') PITCH PIN HEADER
SPECIFICATION
MATERIALS (koskettimet): kupariseos, Gold- tai Tin (nikkeli) loppuun
MATERIALS (pesät): Vakio tai korkeassa lämpötilassa Muovi , mitoitettu UL94V-0
CURRENT: 3A kosketinta kohti
MAXIMUM jännite: 800V AC, 500V DC
Ota VASTARINTA: 30mΩ max
INSULATION VASTARINTA: 1,000MΩ min
OPERATING LÄMPÖTILAN:-40 ℃ 105 ℃
DURABILITY: 300 liitäntäsykleillä (kulta) tai 50 liitäntäsykleillä (tina)
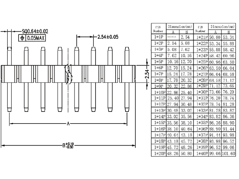
DRAWING
Customize ulottuvuuden mukaan seuraaviin piirustuksiin.Ota meille lisätietoja.
Supply eri spec. Pin header/Liitinlista Series vastaamaan eri asiakkaiden tarpeisiin
What' s pin header?
Pin otsikko on eräänlainen sähköliitin. Meillä on yleensä lyhennetty se pH tai yksinkertainen otsikko, d on maine yleismaailmallisista liittimistä. Tämä liittimen tyyppi käytetään laajalti PCB-piirilevyjä elektroniikassa, sähkölaitteissa ja metreissä.
&#
n
What39, s toiminnon piikkirimaan?
\\ kamman toiminto on toiminto siltana estetty tai eristetty piirien PCB aluksella piiri, ja vastaavanykyinen tai signaalin siirtoa.-- """"What ovat HRE piikkirima malleja?""
There monentyyppisiä piikkirimaa jotka luokitellaan standardien elektroniikkateollisuudessa vastaamaan eri tarvitsevat. Tilan mukaan se voidaan suunnitella karkeasti 2,54 mm:n (0,1 in), 2,0 mm (0,079 in), 1,27 mm (0,05 in), 1,0 mm (0,04 in), 0,8 mm (0,03 in). PINS:n välistä etäisyyttä kutsutaan yleisesti sähköisessä yhteisössä. Mukaan rivien, on yksi rivi, kaksirivinen, kolme riviä, jne. Mukaan pakkauksen käyttö, on laastareita SMT (pintamount teknologia versio) ja tulppa in DIP (pin reiän läpi laitteet),
joukossa, SMT piikkirimaa voidaan jakaa vaaka -piikkinen ja pystysuora tappi otsikon, ja DIP tyypit voidaan jakaa suoraan paikoilleen -piikkinen ja taivuttamalla lisäys pin header. Sen lisäksi jakaamme sen kolmeen tyyppiinniiden asennusmenetelmän mukaan, 180 ° asennusta edustaas, 90 ° asennusta, ja SMT-asennusta edustaa&t#.
What

nimi: Haimei Liang
Työnimike: sales manager
osasto: Sales Department
Yrityspuhelin: +86 0769 83450370
Sähköposti: Ota meihin yhteyttä
Kännykkä: +86 18929181819
Verkkosivusto: dgwin.finvipb2b.com
Osoite: No.67,Dongshen Road,Qiaotou Town,Dongguan City,China